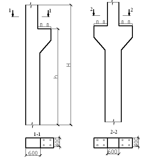
Колонна железобетонная 8к 132-45 из серии 1.424.1-5 предназначена для использования в строительстве зданий и сооружений. Она обладает высокой прочностью и устойчивостью к воздействию различных нагрузок. Колонна имеет стандартные размеры и габариты, что обеспечивает легкость монтажа и установки. Изделие выполнено из качественных материалов, что гарантирует его долгий срок службы и надежность в эксплуатации.









