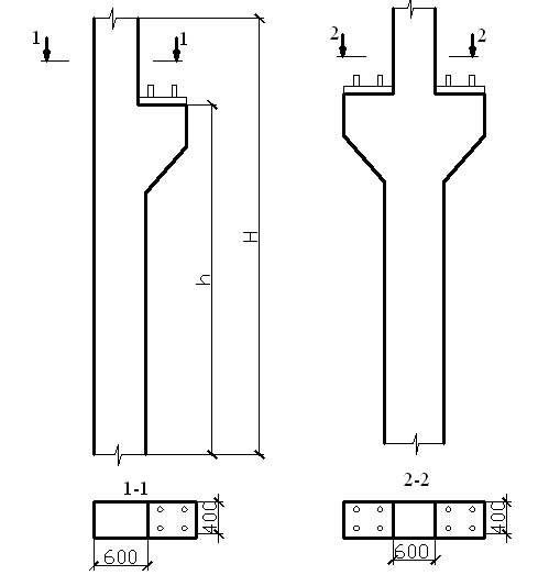
Колонна железобетонная 8к 132-38 из серии 1.424.1-5 предназначена для использования в строительстве как несущий элемент. Изготовлена из высококачественного железобетона, обладает высокой прочностью и устойчивостью к внешним воздействиям. Применяется для возведения зданий и сооружений различного назначения, обеспечивая надежную опору и поддержку конструкций.









