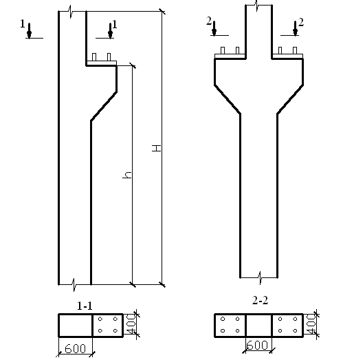
Колонна железобетонная 8к 132-23 из серии 1.424.1-5 предназначена для использования в строительстве зданий и сооружений. Она обладает высокой прочностью и устойчивостью к воздействию различных нагрузок. Колонна имеет стандартные размеры и габариты, что обеспечивает легкость монтажа и установки. Ее конструкция выполнена из качественного железобетона, что обеспечивает долгий срок службы и надежность в эксплуатации. Этот товар идеально подходит для строительства различных зданий, от жилых до коммерческих объектов.









