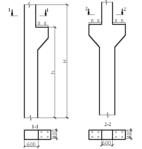
Колонна железобетонная 8к 132-18 из серии 1.424.1-5 представляет собой прочное и надежное железобетонное изделие, предназначенное для использования в строительстве. Ее размеры составляют 8к по классу бетона и 132-18 по размерам. Колонна имеет высокую прочность и устойчивость к воздействию внешних нагрузок, что делает ее идеальным выбором для строительства различных сооружений.
Колонна железобетонная 8к 132-18 широко используется в строительстве зданий и сооружений различного назначения. Она может быть использована для возведения многоэтажных зданий, мостов, туннелей, а также других инженерных конструкций. Благодаря своей прочности и долговечности, данная колонна является надежным элементом в любом строительном проекте, где требуется поддерживающая конструкция.









