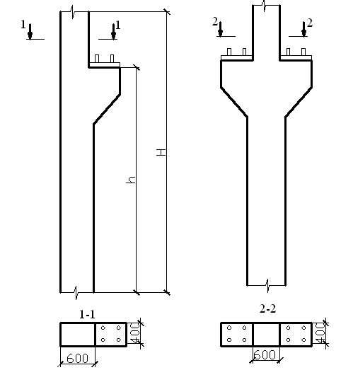
Колонна железобетонная 4к 108-4 представляет собой железобетонное изделие, предназначенное для использования в строительстве. Она имеет прочную железобетонную конструкцию, способную выдерживать значительные нагрузки. Колонна обладает высокой устойчивостью к воздействию внешних факторов и долговечностью, что делает ее идеальным выбором для строительства различных объектов.
Колонна железобетонная 4к 108-4 широко используется в строительстве жилых, коммерческих и промышленных зданий. Она может быть использована для возведения опорных конструкций, перекрытий, фундаментов и других элементов зданий. Колонна обеспечивает надежную поддержку строительных конструкций и способствует созданию прочного и устойчивого здания. Благодаря своей прочности и долговечности, данная колонна является незаменимым элементом при строительстве различных объектов.









