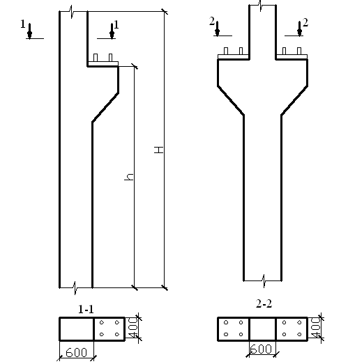
Колонна железобетонная 4к 108-1 из серии 1.424.1-5 предназначена для использования в строительстве зданий и сооружений. Изделие имеет высокую прочность и устойчивость к воздействию внешних нагрузок, что делает его идеальным выбором для создания несущих конструкций. Колонна обладает гладкой поверхностью и аккуратными геометрическими параметрами, что обеспечивает легкость монтажа и обеспечивает эстетичный внешний вид готового объекта.









