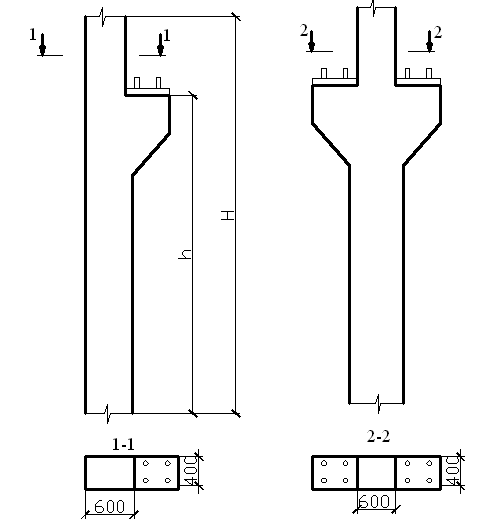
Колонна железобетонная 1к 144-7 из серии 1.424.1-5 предназначена для использования в строительстве как несущий элемент. Изделие имеет высокую прочность и устойчивость к воздействию внешних нагрузок, что делает его идеальным для возведения зданий различного назначения.









