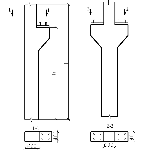
Колонна железобетонная 1к 144-12 из серии 1.424.1-5 предназначена для использования в строительстве как несущий элемент. Ее прочная конструкция обеспечивает надежную поддержку верхних конструкций здания. Колонна имеет стандартные размеры и может быть легко установлена на строительной площадке.









