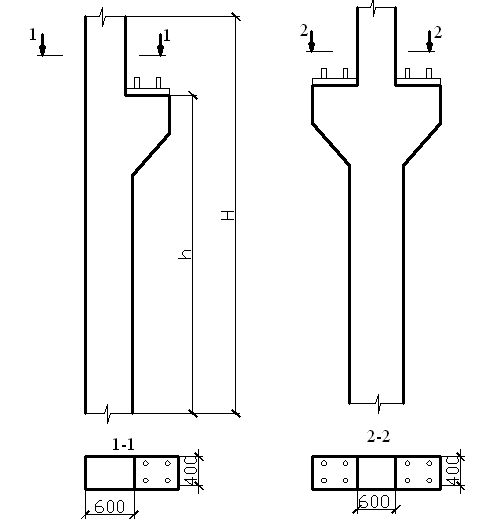
Колонна железобетонная 11к 96-6 из серии 1.424.1-5 представляет собой прочное и надежное железобетонное изделие, предназначенное для использования в строительстве. Ее размеры и конструкция обеспечивают высокую надежность и долговечность, что делает ее идеальным выбором для различных строительных проектов.
Колонна железобетонная 11к 96-6 широко используется в строительстве зданий и сооружений различного назначения. Она может быть использована для возведения многоэтажных зданий, мостов, туннелей, а также других инженерных сооружений. Благодаря своей прочности и устойчивости к внешним воздействиям, данная колонна идеально подходит для обеспечения надежной опоры и поддержки конструкций любого масштаба.









