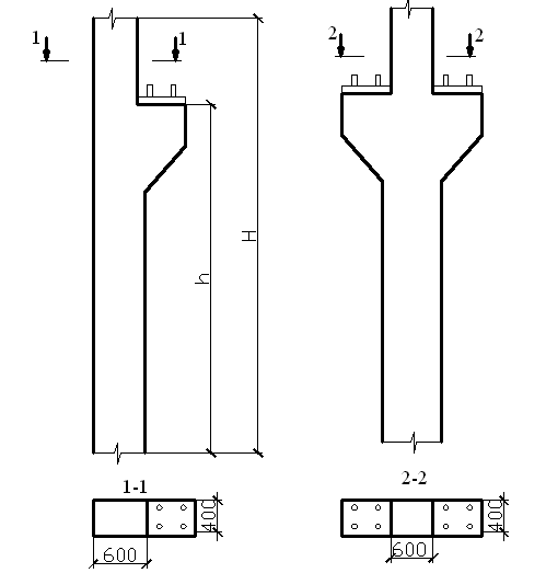
Колонна железобетонная 11к 96-3 представляет собой железобетонное изделие, выполненное по ГОСТу 31360-2007. Она имеет размеры 11к 96-3 и относится к категории колонн серии 1.424.1-5. Колонна изготавливается из высококачественного железобетона, что обеспечивает ей прочность и долговечность.
Колонна железобетонная 11к 96-3 широко используется в строительстве как несущий элемент. Она применяется для возведения зданий и сооружений различного назначения, таких как жилые дома, офисные здания, промышленные объекты и другие. Благодаря своей прочности и устойчивости к внешним воздействиям, данная колонна является надежным элементом конструкции и обеспечивает безопасность здания.









