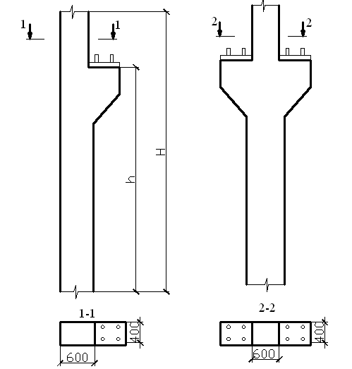
Колонна железобетонная 11к 96-10 из серии 1.424.1-5 предназначена для использования в строительстве как несущий элемент. Изделие обладает высокой прочностью и устойчивостью к воздействию внешних нагрузок, что делает его идеальным для создания надежных и долговечных конструкций.









